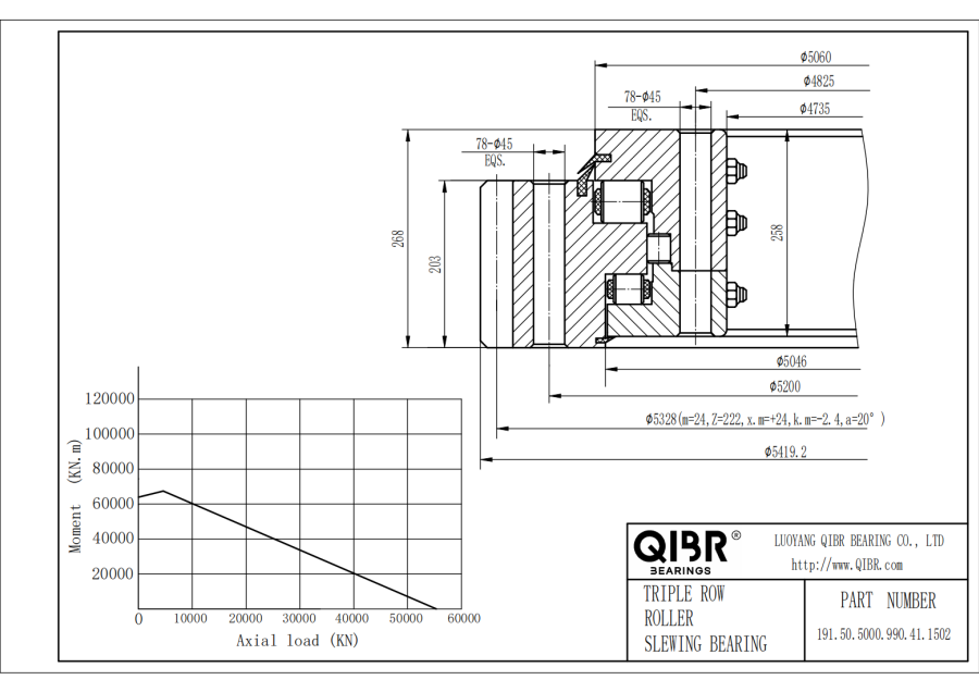
191.50.5000.990.41.1502
- Внутренний диаметр:
- 4735 mm
- Наружный диаметр:
- 5419.2 mm
- Ширина:
- 268 mm
- Масса :
- 8259 kg
Мы предложим вам самое подходящее решение.

Изображения могут отличаться от продукта. Подробнее см. технические характеристики.
Характеристики
Seris - 191.50.5000.990.41.1502

Описание
QIBR - 191.50.5000.990.41.1502 Поворотный Подшипник Преимущества и Применения
191.50.5000.990.41.1502 Поворотный Подшипник, высокая грузоподъемность, плавная работа, Inner diameter (Di) - 4735 mm,Outer diameter (Da) - 5419.2 mm,Overall height (H) - 268 mm,Weight - 8259 kg, подходит для скоростных железных дорог, самолетов, морских буровых платформ, башенных кранов и воздушных рабочих машин, и т.д., это наиболее широко используемый подшипник в условиях работы, требующих высокой точности.
QIBR - 191.50.5000.990.41.1502 Поворотный Подшипник Характеристики
191.50.5000.990.41.1502 Поворотный Подшипник, низкие эксплуатационные расходы, простота обслуживания и установки. 191.50.5000.990.41.1502 Поворотный Подшипник, может выдерживать радиальную нагрузку, осевую нагрузку и опрокидывающий момент одновременно, подходит для механического оборудования с высокими требованиями к несущей способности.
191.50.5000.990.41.1502 Поворотный подшипник Особенности и преимущества
Компактная конструкция: Компактная конструкция позволяет устанавливать подшипники в условиях ограниченного пространства и имеет более широкий спектр применения.
Высокая грузоподъемность: Он может выдерживать осевые, радиальные и опрокидывающие моменты одновременно, подходит для тяжелых условий эксплуатации.
Превосходная точность: Поддерживают высокую точность в процессе эксплуатации и снижают количество ошибок при работе оборудования.
Высокая температура и износостойкость: Изготовлены из высокотемпературной подшипниковой стали, обладают хорошей износостойкостью и прочностью.
Применение: Широко используется в подъемных машинах, машиностроении, транспортном оборудовании, горном оборудовании, металлургическом оборудовании, медицинском оборудовании, судах, военных кораблях, радарах, ветрогенераторах и других областях.
QIBR - 191.50.5000.990.41.1502 Оптимизация поворотных подшипников
Замена смазки: Замените смазку на другие смазки, такие как SFK, Mobil, Krupp и т.д., чтобы оптимизировать рабочие характеристики и условия использования подшипника.
Оптимизация покрытия: Нанесите другие покрытия, такие как цинкование или никелирование, чтобы повысить коррозионную стойкость и износостойкость и продлить срок службы в жестких условиях эксплуатации.
Оптимизация процесса: Оптимизация процесса производства подшипников, увеличение диапазона рабочих температур подшипников, повышение точности и стабильности подшипников.
Больше возможностей для настройки: QIBR может оптимизировать конструкцию подшипника в соответствии с чертежами заказчика или требованиями оборудования, чтобы удовлетворить потребности оборудования.
QIBR - 191.50.5000.990.41.1502 Контроль качества поворотных подшипников
Измерение размеров: Использование различных профессиональных высокоточных приборов для измерения различных размеров подшипника, с высочайшей точностью до 0,01 мм.
Точность вращения: Используйте циферблатный индикатор для измерения небольших дефектов или отклонений на поверхности подшипника, с точностью измерения до 0,01 мм.
Измерение твердости: Используйте твердомер Лееба для измерения твердости поверхности подшипника, с точностью измерения ±6HLD.
Металлографический анализ: Используйте профессиональный металлографический микроскоп для анализа внутренней металлографической структуры металла.
Геометрический допуск: Используйте измеритель круглости для измерения геометрии и относительного положения подшипника.
Мониторинг шума: Используйте виброметр для контроля вибрации во время работы и получения данных о шуме.
Особенности и преимущества
Трехрядные роликовые подшипники с поворотными кольцами Упорно-роликовые подшипники выпускаются без зубчатого колеса, с внешним зубчатым колесом, с внутренним зубчатым колесом.
Скачать