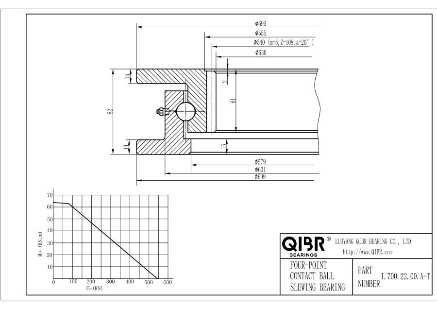
I.700.22.00.A-T
- Внутренний диаметр:
- 530 mm
- Наружный диаметр:
- 699 mm
- Ширина:
- 82 mm
- Масса :
- 61 kg
Мы предложим вам самое подходящее решение.

Изображения могут отличаться от продукта. Подробнее см. технические характеристики.
Характеристики
Seris - I.700.22.00.A-T

Описание
QIBR - I.700.22.00.A-T Поворотный Подшипник Преимущества и Применения
I.700.22.00.A-T Поворотный Подшипник обладает высокой несущей способностью, низким коэффициентом трения, компактной конструкцией, Inner diameter (Di) - 530 mm,Outer diameter (Da) - 699 mm,Weight - 61 kg, подходит для морских буровых платформ, поворотных столов, промышленных роботов и систем слежения за солнцем и т. д., а также является наиболее широко используемым подшипником в условиях эксплуатации, требующих высоких нагрузок.
QIBR - I.700.22.00.A-T Поворотный Подшипник Характеристики
I.700.22.00.A-T Поворотный Подшипник, небольшой износ и простота обслуживания. I.700.22.00.A-T Поворотный Подшипник, может выдерживать одновременно радиальную нагрузку, осевую нагрузку и опрокидывающий момент, подходит для механического оборудования с высокими требованиями к несущей способности.
I.700.22.00.A-T Поворотный подшипник Особенности и преимущества
Компактная конструкция: Компактная конструкция позволяет устанавливать подшипники в условиях ограниченного пространства и имеет более широкий спектр применения.
Высокая грузоподъемность: Он может выдерживать осевые, радиальные и опрокидывающие моменты одновременно, подходит для тяжелых условий эксплуатации.
Превосходная точность: Поддерживают высокую точность в процессе эксплуатации и снижают количество ошибок при работе оборудования.
Высокая температура и износостойкость: Изготовлены из высокотемпературной подшипниковой стали, обладают хорошей износостойкостью и прочностью.
Применение: Широко используется в подъемных машинах, машиностроении, транспортном оборудовании, горном оборудовании, металлургическом оборудовании, медицинском оборудовании, судах, военных кораблях, радарах, ветрогенераторах и других областях.
QIBR - I.700.22.00.A-T Оптимизация поворотных подшипников
Замена смазки: Замените смазку на другие смазки, такие как SFK, Mobil, Krupp и т.д., чтобы оптимизировать рабочие характеристики и условия использования подшипника.
Оптимизация покрытия: Нанесите другие покрытия, такие как цинкование или никелирование, чтобы повысить коррозионную стойкость и износостойкость и продлить срок службы в жестких условиях эксплуатации.
Оптимизация процесса: Оптимизация процесса производства подшипников, увеличение диапазона рабочих температур подшипников, повышение точности и стабильности подшипников.
Больше возможностей для настройки: QIBR может оптимизировать конструкцию подшипника в соответствии с чертежами заказчика или требованиями оборудования, чтобы удовлетворить потребности оборудования.
QIBR - I.700.22.00.A-T Контроль качества поворотных подшипников
Измерение размеров: Использование различных профессиональных высокоточных приборов для измерения различных размеров подшипника, с высочайшей точностью до 0,01 мм.
Точность вращения: Используйте циферблатный индикатор для измерения небольших дефектов или отклонений на поверхности подшипника, с точностью измерения до 0,01 мм.
Измерение твердости: Используйте твердомер Лееба для измерения твердости поверхности подшипника, с точностью измерения ±6HLD.
Металлографический анализ: Используйте профессиональный металлографический микроскоп для анализа внутренней металлографической структуры металла.
Геометрический допуск: Используйте измеритель круглости для измерения геометрии и относительного положения подшипника.
Мониторинг шума: Используйте виброметр для контроля вибрации во время работы и получения данных о шуме.
Особенности и преимущества
Тяговые подшипники для прицепов, поворотные подшипники для бортовых платформ сельскохозяйственных тракторов, механические поворотные круги для рулевого управления прицепов.
Скачать