16313001
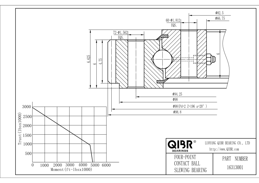
- Внутренний диаметр:
- 78.400 inch
- Наружный диаметр:
- 98.800 inch
- Ширина:
- 6.625 inch
- Масса :
- 4,000 lbs
Мы предложим вам самое подходящее решение.

Изображения могут отличаться от продукта. Подробнее см. технические характеристики.
Характеристики
Seris - 16313001

Описание
QIBR - 16313001 Поворотный Подшипник Преимущества и Применение
16313001 Поворотный Подшипник, с высокой точностью и сильной виброустойчивостью, Inner diameter (Di) - 78.400 inch,Outer diameter (Do) - 98.800 inch,Overall height (H) - 6.625 inch,Weight - 4,000 lbs, подходит для наполнительных машин, ленточных разбрасывателей, грейдеров, автобетононасосов, роторных экскаваторов и т. д., а также является наиболее широко используемым подшипником в условиях эксплуатации, требующих повышенной ударопрочности.
QIBR - 16313001 Поворотный Подшипник Характеристики
16313001 Поворотный Подшипник, приспособлен к суровым условиям эксплуатации и имеет длительный срок службы. 16313001 Поворотный Подшипник, может одновременно выдерживать радиальную нагрузку, осевую нагрузку и опрокидывающий момент, подходит для механического оборудования, требующего высокой стабильности.
16313001 Поворотный подшипник Особенности и преимущества
Компактная конструкция: Компактная конструкция позволяет устанавливать подшипники в условиях ограниченного пространства и имеет более широкий спектр применения.
Высокая грузоподъемность: Он может выдерживать осевые, радиальные и опрокидывающие моменты одновременно, подходит для тяжелых условий эксплуатации.
Превосходная точность: Поддерживают высокую точность в процессе эксплуатации и снижают количество ошибок при работе оборудования.
Высокая температура и износостойкость: Изготовлены из высокотемпературной подшипниковой стали, обладают хорошей износостойкостью и прочностью.
Применение: Широко используется в подъемных машинах, машиностроении, транспортном оборудовании, горном оборудовании, металлургическом оборудовании, медицинском оборудовании, судах, военных кораблях, радарах, ветрогенераторах и других областях.
QIBR - 16313001 Оптимизация поворотных подшипников
Замена смазки: Замените смазку на другие смазки, такие как SFK, Mobil, Krupp и т.д., чтобы оптимизировать рабочие характеристики и условия использования подшипника.
Оптимизация покрытия: Нанесите другие покрытия, такие как цинкование или никелирование, чтобы повысить коррозионную стойкость и износостойкость и продлить срок службы в жестких условиях эксплуатации.
Оптимизация процесса: Оптимизация процесса производства подшипников, увеличение диапазона рабочих температур подшипников, повышение точности и стабильности подшипников.
Больше возможностей для настройки: QIBR может оптимизировать конструкцию подшипника в соответствии с чертежами заказчика или требованиями оборудования, чтобы удовлетворить потребности оборудования.
QIBR - 16313001 Контроль качества поворотных подшипников
Измерение размеров: Использование различных профессиональных высокоточных приборов для измерения различных размеров подшипника, с высочайшей точностью до 0,01 мм.
Точность вращения: Используйте циферблатный индикатор для измерения небольших дефектов или отклонений на поверхности подшипника, с точностью измерения до 0,01 мм.
Измерение твердости: Используйте твердомер Лееба для измерения твердости поверхности подшипника, с точностью измерения ±6HLD.
Металлографический анализ: Используйте профессиональный металлографический микроскоп для анализа внутренней металлографической структуры металла.
Геометрический допуск: Используйте измеритель круглости для измерения геометрии и относительного положения подшипника.
Мониторинг шума: Используйте виброметр для контроля вибрации во время работы и получения данных о шуме.
Особенности и преимущества
Шарик с четырехточечным контактом, широкий диапазон диаметров и различных сечений, больший потенциал грузоподъемности по сравнению с сериями RK и MT, внутреннее, внешнее и безредукторное исполнение.
Скачать