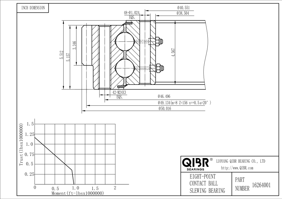
16264001
- Внутренний диаметр:
- 38.504 inch
- Наружный диаметр:
- 50.016 inch
- Ширина:
- 5.512 inch
- Масса :
- 870 lbs
Мы предложим вам самое подходящее решение.

Изображения могут отличаться от продукта. Подробнее см. технические характеристики.
Характеристики
Seris - 16264001

Описание
QIBR - 16264001 Поворотный Подшипник Преимущества и Применения
16264001 Поворотный Подшипник обладает высокой несущей способностью, большой гибкостью и высокой точностью изготовления.Inner diameter (di) - 38.504 inch,Outer diameter (Do) - 50.016 inch,Overall height (H) - 5.512 inch,Weight - 870 lbs. Он подходит для промышленного оборудования, роторного бурения, тележек, ветряных турбин, башенных кранов и т. д. и является наиболее широко используемым подшипником в условиях эксплуатации, требующих высокой точности.
QIBR - 16264001 Поворотный Подшипник Характеристики
16264001 Поворотный Подшипник, высокая прочность, простота обслуживания, длительный срок службы. 16264001 Поворотный Подшипник, может выдерживать одновременно радиальную нагрузку, осевую нагрузку и опрокидывающий момент, подходит для механического оборудования, требующего стабильной работы.
16264001 Поворотный подшипник Особенности и преимущества
Компактная конструкция: Компактная конструкция позволяет устанавливать подшипники в условиях ограниченного пространства и имеет более широкий спектр применения.
Высокая грузоподъемность: Он может выдерживать осевые, радиальные и опрокидывающие моменты одновременно, подходит для тяжелых условий эксплуатации.
Превосходная точность: Поддерживают высокую точность в процессе эксплуатации и снижают количество ошибок при работе оборудования.
Высокая температура и износостойкость: Изготовлены из высокотемпературной подшипниковой стали, обладают хорошей износостойкостью и прочностью.
Применение: Широко используется в подъемных машинах, машиностроении, транспортном оборудовании, горном оборудовании, металлургическом оборудовании, медицинском оборудовании, судах, военных кораблях, радарах, ветрогенераторах и других областях.
QIBR - 16264001 Оптимизация поворотных подшипников
Замена смазки: Замените смазку на другие смазки, такие как SFK, Mobil, Krupp и т.д., чтобы оптимизировать рабочие характеристики и условия использования подшипника.
Оптимизация покрытия: Нанесите другие покрытия, такие как цинкование или никелирование, чтобы повысить коррозионную стойкость и износостойкость и продлить срок службы в жестких условиях эксплуатации.
Оптимизация процесса: Оптимизация процесса производства подшипников, увеличение диапазона рабочих температур подшипников, повышение точности и стабильности подшипников.
Больше возможностей для настройки: QIBR может оптимизировать конструкцию подшипника в соответствии с чертежами заказчика или требованиями оборудования, чтобы удовлетворить потребности оборудования.
QIBR - 16264001 Контроль качества поворотных подшипников
Измерение размеров: Использование различных профессиональных высокоточных приборов для измерения различных размеров подшипника, с высочайшей точностью до 0,01 мм.
Точность вращения: Используйте циферблатный индикатор для измерения небольших дефектов или отклонений на поверхности подшипника, с точностью измерения до 0,01 мм.
Измерение твердости: Используйте твердомер Лееба для измерения твердости поверхности подшипника, с точностью измерения ±6HLD.
Металлографический анализ: Используйте профессиональный металлографический микроскоп для анализа внутренней металлографической структуры металла.
Геометрический допуск: Используйте измеритель круглости для измерения геометрии и относительного положения подшипника.
Мониторинг шума: Используйте виброметр для контроля вибрации во время работы и получения данных о шуме.
Особенности и преимущества
Два согласованных ряда четырехточечных шариков, потенциально на 80% больше грузоподъемности, чем у четырехточечных шариков данного диаметра, прямоугольное сечение, внутренняя, внешняя или безредукторная передача.
Скачать