112.25.1120
- Внутренний диаметр:
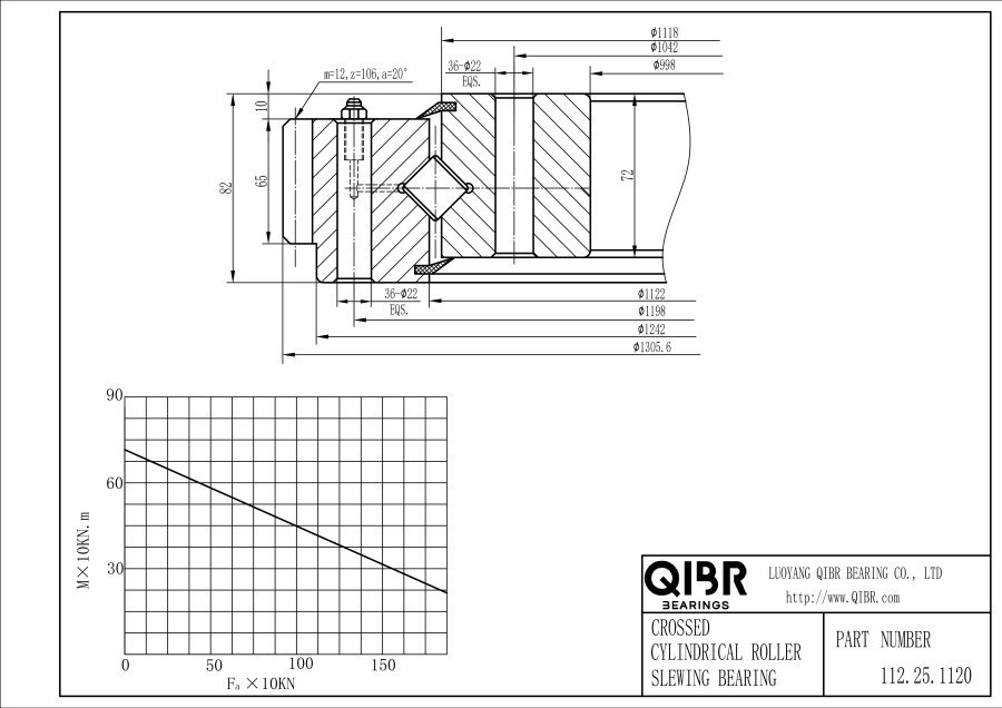
- 998 mm
- Наружный диаметр:
- 1242 mm
- Ширина:
- 82 mm
Мы предложим вам самое подходящее решение.

Изображения могут отличаться от продукта. Подробнее см. технические характеристики.
Характеристики
Seris - 112.25.1120

Описание
QIBR - 112.25.1120 Поворотный Подшипник Преимущества и Применения
112.25.1120 Поворотный Подшипник обладает высокой точностью, компактной конструкцией, высокой статической нагрузкой, Inner diameter (d) - 998 mm,Outer diameter (D) - 1242 mm,Overall height (H) - 82 mm. Он подходит для судовых рулевых механизмов, вращающихся башен, поворотных соединений роботов, ветряных турбин и т. д. Это наиболее широко используемый подшипник в условиях эксплуатации, где требуется высокая точность подшипника.
QIBR - 112.25.1120 Поворотный Подшипник Характеристики
112.25.1120 Поворотный Подшипник, экономит место, простое обслуживание, низкая стоимость производства, легко устанавливается. 112.25.1120 Поворотный Подшипник, может одновременно выдерживать определенную осевую силу, радиальную силу и опрокидывающий момент, подходит для механического оборудования, которое должно одновременно поддерживать и передавать нагрузку.
112.25.1120 Поворотный подшипник Особенности и преимущества
Компактная конструкция: Компактная конструкция позволяет устанавливать подшипники в условиях ограниченного пространства и имеет более широкий спектр применения.
Высокая грузоподъемность: Он может выдерживать осевые, радиальные и опрокидывающие моменты одновременно, подходит для тяжелых условий эксплуатации.
Превосходная точность: Поддерживают высокую точность в процессе эксплуатации и снижают количество ошибок при работе оборудования.
Высокая температура и износостойкость: Изготовлены из высокотемпературной подшипниковой стали, обладают хорошей износостойкостью и прочностью.
Применение: Широко используется в подъемных машинах, машиностроении, транспортном оборудовании, горном оборудовании, металлургическом оборудовании, медицинском оборудовании, судах, военных кораблях, радарах, ветрогенераторах и других областях.
QIBR - 112.25.1120 Оптимизация поворотных подшипников
Замена смазки: Замените смазку на другие смазки, такие как SFK, Mobil, Krupp и т.д., чтобы оптимизировать рабочие характеристики и условия использования подшипника.
Оптимизация покрытия: Нанесите другие покрытия, такие как цинкование или никелирование, чтобы повысить коррозионную стойкость и износостойкость и продлить срок службы в жестких условиях эксплуатации.
Оптимизация процесса: Оптимизация процесса производства подшипников, увеличение диапазона рабочих температур подшипников, повышение точности и стабильности подшипников.
Больше возможностей для настройки: QIBR может оптимизировать конструкцию подшипника в соответствии с чертежами заказчика или требованиями оборудования, чтобы удовлетворить потребности оборудования.
QIBR - 112.25.1120 Контроль качества поворотных подшипников
Измерение размеров: Использование различных профессиональных высокоточных приборов для измерения различных размеров подшипника, с высочайшей точностью до 0,01 мм.
Точность вращения: Используйте циферблатный индикатор для измерения небольших дефектов или отклонений на поверхности подшипника, с точностью измерения до 0,01 мм.
Измерение твердости: Используйте твердомер Лееба для измерения твердости поверхности подшипника, с точностью измерения ±6HLD.
Металлографический анализ: Используйте профессиональный металлографический микроскоп для анализа внутренней металлографической структуры металла.
Геометрический допуск: Используйте измеритель круглости для измерения геометрии и относительного положения подшипника.
Мониторинг шума: Используйте виброметр для контроля вибрации во время работы и получения данных о шуме.
Особенности и преимущества
Однорядный поворотный подшипник со скрещенными роликами с внешним зацепением имеет поперечное расположение роликов 1:1, что требует высокой точности установки для точного управления вращением и эффективной передачи мощности в сложных промышленных условиях.
Скачать