81238 M
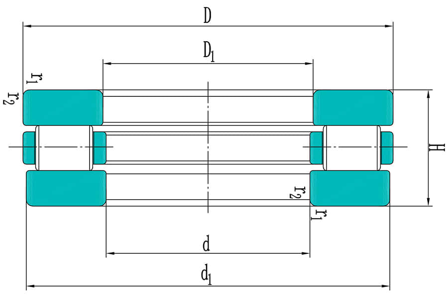
- Внутренний диаметр:
- 190 mm
- Наружный диаметр:
- 270 mm
- Ширина:
- 62 mm
- Масса :
- 12 kg
Мы предложим вам самое подходящее решение.

Изображения могут отличаться от продукта. Подробнее см. технические характеристики.
Характеристики
Seris - 81238 M

Описание
81238 M Особенности и преимущества упорных роликовых подшипников
Допустимая погрешность смещения: Упорные роликоподшипники обладают способностью к самоустановке, что позволяет им выдерживать погрешности смещения.
Грузоподъемность: Отличное прилегание роликов к дорожке качения позволяет подшипнику выдерживать большие осевые нагрузки и одновременно воспринимать некоторые радиальные нагрузки.
Высокоскоростная способность: Конструкция сепаратора и хорошее прилегание роликов к дорожке качения делают эти подшипники пригодными для работы на относительно высоких скоростях.
Низкое трение: Оптимизация контакта на торцевых поверхностях роликов позволяет поддерживать тепловыделение при трении на низком уровне во время работы на высоких скоростях.
Длительный срок службы: Специальный профиль роликов снижает краевые напряжения в местах контакта роликов с дорожкой качения.
Применение: Упорные роликовые подшипники широко используются в станкостроении, аэрокосмической промышленности, металлургии и горнодобывающей промышленности, тяжелом машиностроении, автомобильной промышленности, сельскохозяйственной технике и энергетическом оборудовании.
QIBR - 81238 M Оптимизация упорных роликовых подшипников
Высокопроизводительные материалы: Подходящие материалы могут быть выбраны в соответствии с требованиями заказчика, например, 52100, 100Cr6, SUJ2 и т.д.
Выбор сепаратора: Клиенты могут выбрать сепаратор из различных материалов в зависимости от своих потребностей, включая обработанные латунные сепараторы, штампованные стальные оконные сепараторы и обработанные медные сепараторы.
Выбор смазки: Смазочные материалы могут быть выбраны в соответствии с эксплуатационными требованиями подшипников, например, SKF LGET 2 или Shell Gadus S5 V142W 00.
Дополнительная персонализация: QIBR может разработать и оптимизировать упорные шарикоподшипники в соответствии с условиями эксплуатации и требованиями заказчика.
QIBR - 81238 M Контроль качества упорных роликовых подшипников
Измерение размеров: Для измерения различных размеров подшипников используются различные высокоточные приборы, достигающие максимальной точности 0,001 мм.
Точность вращения: Небольшие дефекты поверхности или отклонения измеряются микрометром с точностью измерения до 0,001 мм.
Измерение твердости: Твердость поверхности измеряется с помощью твердомера с точностью до ±0,5HRC.
Металлографический анализ: Внутренняя металлографическая структура металлов анализируется с помощью профессионального металлографического микроскопа.
Геометрический допуск: Геометрия и относительное положение подшипника измеряются с помощью профильного проектора.
Мониторинг шума: Вибрация во время работы контролируется с помощью виброметра для получения данных о шуме.
Контроль сырья: Сталь и детали поставляются от поставщиков, сертифицированных по стандарту ISO 14001, что обеспечивает стабильность продукции и способствует устойчивому развитию.
Особенности и преимущества
Цилиндрические упорные роликоподшипники предназначены для восприятия больших осевых и ударных нагрузок.
Скачать