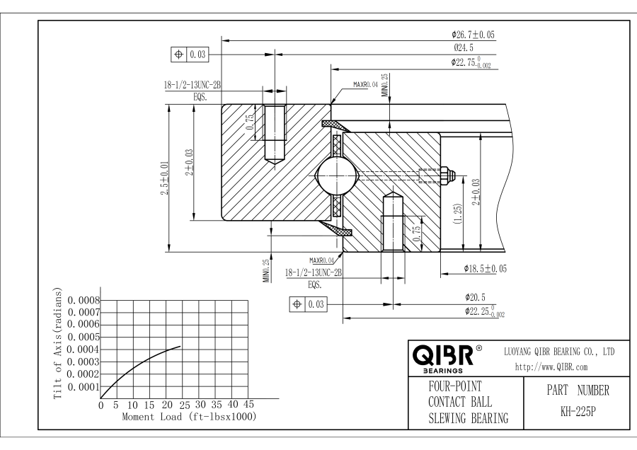
KH-225P
- Внутренний диаметр:
- 18.5000 inch
- Наружный диаметр:
- 26.7000 inch
- Ширина:
- 2.200 inch
- Масса :
- 150 lbs
Мы предложим вам самое подходящее решение.

Изображения могут отличаться от продукта. Подробнее см. технические характеристики.
Характеристики
Seris - KH-225P

Описание
QIBR - KH-225P Поворотный Подшипник Преимущества и Применение
KH-225P Поворотный Подшипник обладает высокой несущей способностью и большой гибкостью.{$Inner diameter (Di)$} - {$Inner diameter (Di)_value$},Outer diameter (Do) - 26.7000 inch,Weight - 150 lbs. Он подходит для астрономических наблюдательных приборов, кранов, кранов, радиолокационных систем, сталеплавильных печей, судовых рулевых механизмов и т. д. Это наиболее широко используемый подшипник в рабочих условиях, требующих высокой гибкости.
QIBR - KH-225P Поворотный Подшипник Характеристики
KH-225P Поворотный Подшипник, небольшой износ, простота обслуживания, простота установки. KH-225P Поворотный Подшипник, может выдерживать одновременно радиальную нагрузку, осевую нагрузку и опрокидывающий момент, подходит для механического оборудования с высокими требованиями к несущей способности.
KH-225P Поворотный подшипник Особенности и преимущества
Компактная конструкция: Компактная конструкция позволяет устанавливать подшипники в условиях ограниченного пространства и имеет более широкий спектр применения.
Высокая грузоподъемность: Он может выдерживать осевые, радиальные и опрокидывающие моменты одновременно, подходит для тяжелых условий эксплуатации.
Превосходная точность: Поддерживают высокую точность в процессе эксплуатации и снижают количество ошибок при работе оборудования.
Высокая температура и износостойкость: Изготовлены из высокотемпературной подшипниковой стали, обладают хорошей износостойкостью и прочностью.
Применение: Широко используется в подъемных машинах, машиностроении, транспортном оборудовании, горном оборудовании, металлургическом оборудовании, медицинском оборудовании, судах, военных кораблях, радарах, ветрогенераторах и других областях.
QIBR - KH-225P Оптимизация поворотных подшипников
Замена смазки: Замените смазку на другие смазки, такие как SFK, Mobil, Krupp и т.д., чтобы оптимизировать рабочие характеристики и условия использования подшипника.
Оптимизация покрытия: Нанесите другие покрытия, такие как цинкование или никелирование, чтобы повысить коррозионную стойкость и износостойкость и продлить срок службы в жестких условиях эксплуатации.
Оптимизация процесса: Оптимизация процесса производства подшипников, увеличение диапазона рабочих температур подшипников, повышение точности и стабильности подшипников.
Больше возможностей для настройки: QIBR может оптимизировать конструкцию подшипника в соответствии с чертежами заказчика или требованиями оборудования, чтобы удовлетворить потребности оборудования.
QIBR - KH-225P Контроль качества поворотных подшипников
Измерение размеров: Использование различных профессиональных высокоточных приборов для измерения различных размеров подшипника, с высочайшей точностью до 0,01 мм.
Точность вращения: Используйте циферблатный индикатор для измерения небольших дефектов или отклонений на поверхности подшипника, с точностью измерения до 0,01 мм.
Измерение твердости: Используйте твердомер Лееба для измерения твердости поверхности подшипника, с точностью измерения ±6HLD.
Металлографический анализ: Используйте профессиональный металлографический микроскоп для анализа внутренней металлографической структуры металла.
Геометрический допуск: Используйте измеритель круглости для измерения геометрии и относительного положения подшипника.
Мониторинг шума: Используйте виброметр для контроля вибрации во время работы и получения данных о шуме.
Особенности и преимущества
Шарик с четырехточечным контактом, прямоугольное сечение, серия KH с предварительным натягом и прецизионными биениями, внешнее и безредукторное исполнение.
Скачать