6209 N
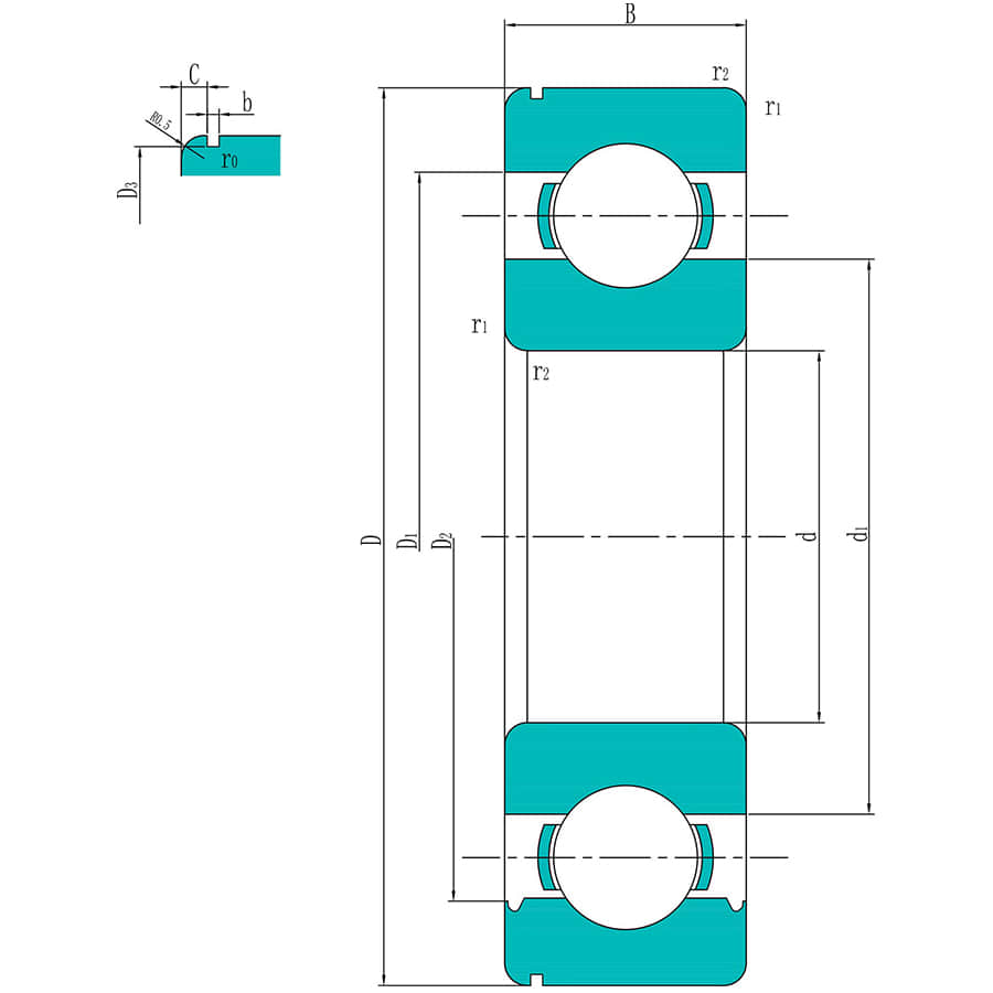
- Внутренний диаметр:
- 45 mm
- Наружный диаметр:
- 85 mm
- Ширина:
- 19 mm
- Масса :
- 0.43 kg
Мы предложим вам самое подходящее решение.

Изображения могут отличаться от продукта. Подробнее см. технические характеристики.
Характеристики
Seris - 6209 N

Описание
6209 N Характеристики и преимущества радиальных шарикоподшипников
Высокая грузоподъемность: Способны одновременно нести большие радиальные и осевые нагрузки, подходят для различных условий нагрузки.
Простая конструкция: Низкая стоимость изготовления, высокая экономическая эффективность, простая конструкция, легкость в производстве и установке.
Способность к самовыравниванию: Обладает определенной степенью способности к самоустановке, автоматически регулирует относительное положение внутреннего и наружного колец, снижая требования к точности при установке.
Плавная работа: Низкий коэффициент трения, что приводит к низкому уровню шума во время работы, подходит для высокоскоростных приложений.
Применение: Широко используется в электродвигателях, автомобильной промышленности, бытовой технике, промышленном оборудовании, сельскохозяйственной технике, ветряных турбинах, железнодорожном транспорте, строительной технике и т.д.
QIBR - 6209 N Оптимизация радиальных шарикоподшипников
Дополнительные типы: Может поставляться с зазором группы CN или C3, а также с индивидуальным зазором по требованиям заказчика.
Замена смазки: Смазка может быть выбрана в зависимости от эксплуатационных потребностей подшипника, например SKF LGED 2, Mobil SHC Polyrex 102 EM и т. д.
Типы сепараторов: Тип сепаратора может быть выбран в зависимости от условий эксплуатации подшипника, например, двухкомпонентный стальной сепаратор с заклёпками, цельный сепаратор из нержавеющей стали, цельный полимерный сепаратор, обработанный латунный сепаратор и т. д.
Дополнительная настройка: QIBR может спроектировать и оптимизировать подшипники в соответствии с чертежами и эксплуатационными требованиями заказчика.
QIBR - 6209 N Контроль качества радиальных шарикоподшипников
Измерение размеров: Для измерения различных размеров подшипника используется несколько высокоточных приборов с точностью до 0,001 мм.
Точность вращения: Циферблатный манометр измеряет незначительные дефекты или отклонения поверхности, точность измерения достигает 0,001 мм.
Измерение твердости: Твердость поверхности подшипника измеряется с помощью твердомера с точностью ±0,5HRC.
Металлографический анализ: Профессиональный металлографический микроскоп используется для анализа внутренней металлографической структуры металла.
Геометрический допуск: Профилометр используется для измерения геометрической формы и относительного положения подшипника.
Контроль шума: Виброметр отслеживает вибрации во время работы, предоставляя данные о шуме с уровнем вибрации не ниже Z3V3.
Контроль сырья: Сталь и детали поставляются от поставщиков, сертифицированных по стандарту ISO 14001, что обеспечивает стабильность продукции и способствует устойчивому развитию.
Процесс и Производительность
QIBR - 6209 N Процесс производства радиальных шарикоподшипников и показатели эффективности:
Обработка материалов: Кольца и тела качения могут быть изготовлены в соответствии с требованиями заказчика из таких материалов, как GCr15, 440C, Si₃N₄, M50 и т.д. Для обработки материалов используются прецизионные холодновысадочные станки с точностью ±0,008 мм.
Процесс обработки: Токарные центры с ЧПУ используются для токарной обработки подшипников, достигая округлости ≤1,5 мкм. Подшипники подвергаются поверхностной закалке в печи с сетчатым поясом с точностью контроля температуры ±1°C. Закалка производится в закалочной печи, оснащенной системой защиты атмосферы, обеспечивающей равномерность температуры ±3°C. Наконец, криогенная обработка проводится с использованием программно-управляемого температурного оборудования.
Качество поверхности: После суперфинишной обработки шероховатость поверхности достигает Ra ≤ 0,005 мкм, а волнистость ≤ 0,1 мкм, что соответствует требованиям к точности класса P2 (ABEC 7). Зеркальная обработка достигает Ra ≤ 0,02 мкм.
Чистота: Сборка осуществляется в чистом помещении класса 6 по ISO. Используется полностью синтетическая авиационная смазка с чистотой ≤ 0,5 мг/комплект, соответствующая стандарту ISO 4406.
Контроль образцов готовой продукции:
- Zeiss PRISMO Ultra (Германия): Выполняет полноразмерные 3D координатные измерения с пространственной точностью ≤ 1,5 мкм для контроля точности размеров.
- Микроскопия: Увеличение 1000X используется для контроля распределения карбида и слоев обезуглероживания.
- Вибрационный тестер: Соответствует стандарту ISO 15242 для измерения значений групповой вибрации Z1/Z2/Z3.
Вспомогательные системы и технологическое оборудование: Вакуумное науглероживание обеспечивает равномерность слоя науглероживания ≤ ±0,03 мм, что повышает усталостную долговечность подшипников.
QIBR 6209 N Радиальные шарикоподшипники - НИОКР и применение
Высоко/низкотемпературные подшипники: Оптимизация термообработки или разработка новых решений по смазке для металлургического оборудования или аэрокосмической техники в условиях экстремальных температур.
Высокоскоростные подшипники: Усовершенствование конструкции сепаратора для снижения центробежного эффекта, отвечающего требованиям электрошпинделей и турбомашин.
Высокопроизводительные материалы: Разработка подшипников из специальных сплавов или композитов для повышения высокотемпературной стойкости, коррозионной стойкости и усталостных характеристик.
Облегченная конструкция: Используйте сепараторы из алюминиево-магниевого сплава или углеродного волокна для таких чувствительных к весу применений, как аэрокосмическая промышленность и новые энергетические транспортные средства.
Самосмазывающиеся материалы: Разработайте полимерные сепараторы с графеном или MoS₂ для снижения потребности в обслуживании.
Специальные подшипники с функциональными покрытиями.
Специальные подшипники для труднообрабатываемых материалов.
Как производитель подшипников качения, мы специализируемся на выпуске прецизионных подшипников ABEC 7 P4 и ABEC 9 P2, предназначенных для высокоскоростных и тяжелонагруженных применений. Мы рады использовать наш опыт и знания для предоставления наилучших решений.
Что означают префиксные буквы и цифры радиальных шарикоподшипников?
Префиксные буквы и цифровые коды радиальных шарикоподшипников различаются у разных брендов. Например, у шведской компании SKF 6209 N :
- D/W = Нержавеющая сталь, дюймовые размеры
- ICOS- = подшипниковый узел с масляным уплотнением
- W = Нержавеющая сталь, метрические размеры
- WBB1 = Нержавеющая сталь, метрические размеры (размерный ряд не ISO)
Что означают буквы префикса для типов радиальных шарикоподшипников?
Различные бренды используют разные буквы для обозначения типов подшипников. Например, в SKF 6209 N :
- 2... = размерность серии 02, однорядный подшипник с заполняющей прорезью
- 3... = размер серии 03, однорядный подшипник с заполняемым пазом
- EE, EEB, R, RLS, RMS = подшипники дюймового размера
Что означают буквы внутреннего дизайна радиальных шарикоподшипников?
Внутренние коды отличаются в зависимости от марки. Например, в SKF 6209 N :
- A, AA, C, D = Модифицированная или слегка измененная внутренняя конструкция
- E = Усиленный набор шариков
Что означают буквы внешнего дизайна радиальных шарикоподшипников?
Внешняя маркировка зависит от производителя. Например:
SKF 6209 N
- N = Наружное кольцо с канавкой для стопорного кольца
- NR = Наружное кольцо с канавкой для стопорного кольца и стопорным кольцом
- N1 = Наружное кольцо с одной фиксирующей канавкой (углублением)
- R = Наружное кольцо с фланцем
- -RS1, -2RS1 = Одна сторона или обе стороны с контактными уплотнениями NBR (нитрильный каучук)
- -RS2, -2RS2 = Одна сторона или обе стороны с контактными уплотнениями FKM (фторкаучук)
- -RSF, -2RSF = Одна сторона или обе стороны с контактными уплотнениями NBR
- -RSH, -2RSH = Одна сторона или обе стороны с контактными уплотнениями NBR
- -RSH2, -2RSH2 = Одна сторона или обе стороны с контактными уплотнениями FKM
- -RSL, -2RSL = Одна сторона или обе стороны с уплотнениями NBR с низким коэффициентом трения
- -RZ, -2RZ = Одна сторона или обе стороны с бесконтактными уплотнениями NBR
- -Z, -2Z = Одна сторона или обе стороны с металлическими экранами
- -ZNBR = Одна сторона с металлическим экраном, наружное кольцо с канавкой для стопорного кольца, стопорное кольцо на той же стороне, что и экран
- -ZNR = Одна сторона с металлическим экраном, наружное кольцо с канавкой для стопорного кольца, стопорное кольцо на противоположной стороне от экрана
- -2ZNR = Внешнее кольцо с канавкой для стопорного кольца и стопорное кольцо, обе стороны с металлическими экранами
- -2ZS = Обе стороны с металлическими щитами, зафиксированными стопорным кольцом
- X = Размеры не соответствуют размерному ряду ISO
Японская компания NSK 6209 N
- ZZ = Обе стороны с металлическими экранами
- DDU = Обе стороны с резиновыми контактными уплотнениями
- W = Обе стороны с резиновыми бесконтактными уплотнениями
- Z = Одна сторона с металлическим экраном
- DU = Одна сторона с резиновым контактным уплотнением
- V = Одна сторона с резиновым бесконтактным уплотнением
Что означают буквы суффикса для сепараторов радиальных шарикоподшипников?
Суффиксные буквы для сепараторов подшипников зависят от бренда. Например, у шведской компании SKF 6209 N:
- Подшипники из нержавеющей стали: Штампованный сепаратор из нержавеющей стали, с шариковой направляющей
- Другие подшипники: Штампованный стальной сепаратор, с шариковой направляющей
- JEM = Штампованный стальной сепаратор, с шариковой направляющей
- M = Обрабатываемый латунный сепаратор, с шариковой направляющей
- MA(S) = Обрабатываемый латунный сепаратор, с наружным кольцом («S» обозначает смазочные канавки на направляющей поверхности)
- MB(S) = Обрабатываемый латунный сепаратор, внутреннее кольцо («S» указывает на смазочные канавки на направляющей поверхности)
- TN = Сепаратор из PA66, с шариковой направляющей
- TN9 = Сепаратор из PA66, армированный стекловолокном, с шариковой направляющей
- TN9/VG1561 = Сепаратор PA46, армированный стекловолокном, с шариковой направляющей
- TNH = Сепаратор из полиэфирэфиркетона, армированного стекловолокном, с шариковой направляющей
Что означают буквы суффикса для материалов и термообработки подшипников?
Коды материалов и термообработки различаются в зависимости от марки. Например, в SKF 6209 N:
- HA1 = поверхностная закалка внутреннего и наружного колец
- HC5 = шарики из нитрида кремния (гибридные керамические подшипники)
Что означают буквы суффикса для обозначения точности, чистоты, преднатяга и бесшумной работы?
Коды точности и эксплуатации зависят от производителя. Например:
SKF 6209 N
- P5 = размерные и геометрические допуски (биение и позиционирование) соответствуют классу P5
- P6 = Размерные и геометрические допуски (биение) соответствуют классу P6
- P52 = P5 + C2
- P62 = P6 + C2
- P63 = P6 + C3
- CN = Группа нормальных радиальных зазоров
- C1 = Радиальный зазор меньше C2
- C2 = Радиальный просвет меньше, чем в нормальной группе
- C3 = Радиальный просвет больше нормы
- C4 = Радиальный просвет больше, чем C3
- C5 = Радиальный зазор больше, чем C4
- CA = Подходящие подшипники с малым осевым зазором
- GA = Подходящие подшипники с небольшим предварительным натягом
Японская компания NSK 6209 N
- CN = Группа с нормальным радиальным зазором
- C2 = Радиальный зазор меньше нормального
- C3 = Радиальный зазор больше, чем у обычной группы
- C4 = Радиальный зазор больше, чем C3
- C5 = Радиальный зазор больше, чем C4
Что означают буквы суффикса для сопряжения подшипников?
Конфигурации сопряжения зависят от марки. Например, в SKF 6209 N:
- DB = парный монтаж спина к спине
- DF = парный монтаж лицом к лицу
- DT = парный монтаж тандемом
Что означают буквы суффикса для обозначения стабильности размеров?
Коды термостабильности различаются в зависимости от производителя. Например, в SKF 6209 N:
- S0 = Кольца подшипников сохраняют стабильность размеров при рабочих температурах ≤ 150°C (300°F)
- S1 = Кольца подшипников сохраняют стабильность размеров при рабочих температурах ≤ 200°C (390°F)
Что означают буквы суффикса смазки для подшипников?
Типы смазки зависят от марки. Например:
SKF 6209 N
- GE2 = Литиевое мыло
- GFJ = Комплексное алюминиевое мыло
- GJN = (конкретный тип смазки, здесь не определен)
- HT = Полимочевина
- LHT23 = Литиевое мыло
- LT = Литиевое мыло
- MT33 = Литиевое мыло
- MT47 = Литиевое мыло
- VT378 = Комплексное алюминиевое мыло
- WT = Полимочевина
Японская компания NSK 6209 N
- NS7 = NS HI-LUBE (специальная смазка)
Особенности и преимущества
Радиальный шарикоподшипник с канавкой для стопорного кольца - это специализированный тип радиального шарикоподшипника, в наружном кольце которого выточена дополнительная канавка. Эта канавка предназначена для установки стопорного кольца, которое помогает зафиксировать подшипник в осевом направлении. Радиальные шарикоподшипники с канавками для стопорных колец широко используются в различных отраслях промышленности, где требуется осевая фиксация, например, в коробках передач, трансмиссиях, электродвигателях и сельскохозяйственной технике.
Скачать